

盘磨系统脱硫石灰石制粉的优势
电厂石灰石脱硫达到国家超净排放要求,炉内和烟气脱硫两种石灰石粉的制备。我公司生产的石灰石制备系统在国内外知名企业应用,很好地满足了电厂脱硫石灰石制粉的需要。
系统主要优势有:
1、主磨机可靠:其结构独特、性能卓越、高效节能,是理想的电厂脱硫剂制粉设备。
2、系统设计合理,土建投资省;
3、系统设备配置合理,设备投资省,环保达标。
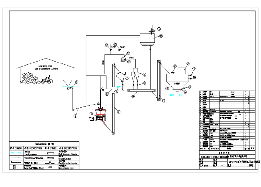
1)案例1:电厂石灰石脱硫系统
中国联合工程公司合作的哥伦比亚GECELCA 3.2燃煤电厂项目,年已投产使用,系统设备运行平稳,产品粒度、生产能力达到客户需求。

2)案例2:国家超净排放系统
中国华电工程有限公司的不连沟煤业大路煤矸石坑口热电厂项目,该项目选用我公司石灰石制备系统2套,已投产使用,系统设备运行平稳,产品粒度、生产能力达到客户需求。

3)案例3:电厂石灰石脱硫系统
东方电气合作的印尼卡尔滕燃煤电站 ,该项目选用我公司石灰石制备系统,已投产使用,系统设备运行平稳,产品粒度、生产能力达到客户需求。


